2023年11月,上海安其威微电子科技有限公司正式发布8GHz高隔离度射频开关芯片ARW3433。

功能简介
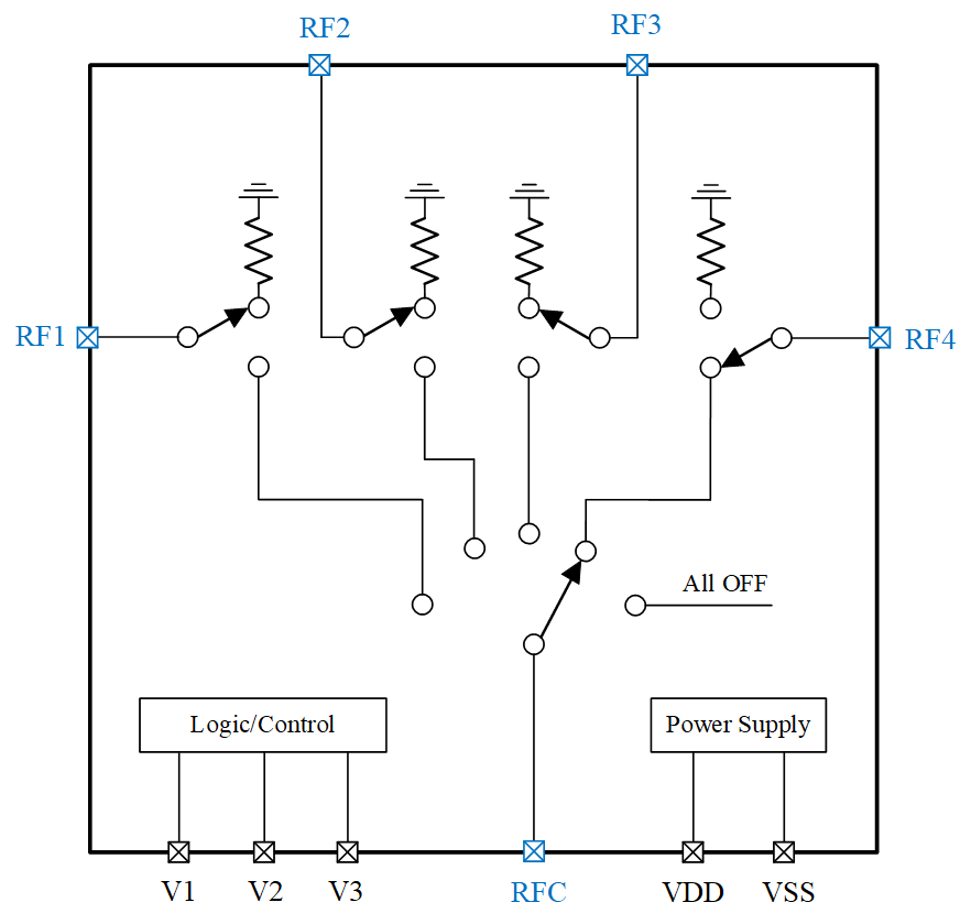
ARW3433是一款高隔离度的吸收式SP4T射频开关芯片,工作频率覆盖0.1~8GHz,隔离度在8GHz达到了65dB,该芯片使用了FC-LGA封装工艺,芯片封装尺寸为4.2mm×4.2mm,特别适用于Sub-8GHz通信基站,天线,射频拉远单元,小基站,测试仪器,开关矩阵,数字预失真反馈通道等对隔离度和线性度要求极高的应用场景。



产品优势
●工作频段:0.1~8GHz
●插入损耗:1.5dB@8GHz
●隔离度:65dB@8GHz
●输入P0.1:37.5dBm@1GHz
●功率容量:33dBm(CW)
●三阶交调:IIP3 59dBm@1GHz
●低频杂散: 全频段<-125dBm
●电压范围:供电电压3~5V
●宽温工作:工作环境温度-40~+105℃
●长期可靠:产品支持高温下长期连续工作
●100%测试:每颗芯片出厂前都通过射频全量测试
●无源互调:IMD3 -75dBc,IMD5 -136dBc @10dBm
产品典型应用
蜂窝通信宏基站
小基站
直放站
天线
射频拉远单元
测试设备
开关矩阵
数字预失真反馈通道
供货信息
ARW3433产品已正式发布,更多详细资料请联系安其威销售团队或发邮件至sales@archiwave.com。
关于ARCHI-SWITCH®
无线电技术自诞生以来,一直遵循着“距离远、速率快、重量轻、体积小、能效高以及成本低”这个主旋律,不断改善着人类的生产和生活方式。射频开关是无线电实现时分双工模式的关键器件,广泛应用在通信、雷达感知和测试仪表等领域的关键设备中。安其威从创立之初就设立了ARCHI-SWITCH®射频开关芯片产品线,利用先进的SOI工艺,持续研究和创新,在产品的功率容量、线性度、隔离度和带宽等重要指标上不断实现新的突破,满足客户日益提升的需求。
关于安其威
上海安其威微电子科技有限公司创立于2015年,在南京设有分部。已成功研发和量产近百款射频芯片产品,服务于移动通信、雷达、卫星通信和无线电测试仪器等行业的头部企业。安其威是国家级“专精特新小巨人”企业,设有浦东新区企业博士后科研工作分站,承担了国家、市、区等各级政府设立的多个重大科技项目。研发团队来自海内外知名高校,平均年龄30岁,多位员工获得各级政府设立的高层次人才奖励。企业以客户为中心,以奋斗者为本,力求“健康工作50年,幸福生活一辈子”。关注个人成长,创造机会培养能力,挑战潜力。企业氛围淳朴愉悦,勤奋团结,成立以来核心成员流失率为零。安其威诚邀海内外青年才俊加盟,探索先进技术,“做最好用的通信感知射频芯片”。